Hotchkiss M201 • katalog rezervnih delova • srpski latinica

Elektrika

Poglavlje „Électricité“ iz kataloga rezervnih delova Hotchkiss M201.

Willys oznaka

Elektrika

Originalni francuski naziv poglavlja je Électricité. Naslov poglavlja nije deo dijagrama, a prikaz svake slike može da se uveća radi jasnijeg pregleda.

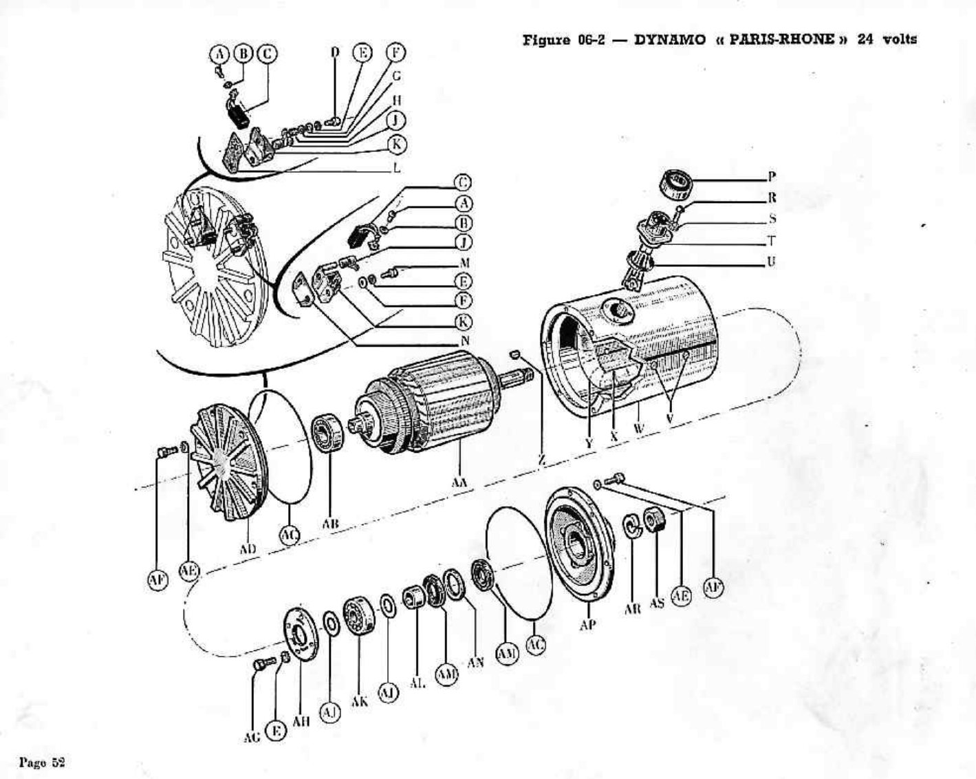
Strane 55–56

Dijagram elektrika 01

Klik na sliku otvara uvećani prikaz. Kada je indeks delova bio na sledećoj strani, prevedeni spisak je dodat u proširenje slike, sa očuvanim oznakama i part brojevima.

Strane 57–58

Dijagram elektrika 02

Klik na sliku otvara uvećani prikaz. Kada je indeks delova bio na sledećoj strani, prevedeni spisak je dodat u proširenje slike, sa očuvanim oznakama i part brojevima.

Strane 59–60

Dijagram elektrika 03

Klik na sliku otvara uvećani prikaz. Kada je indeks delova bio na sledećoj strani, prevedeni spisak je dodat u proširenje slike, sa očuvanim oznakama i part brojevima.

Strana 61

Dijagram elektrika 04

Klik na sliku otvara uvećani prikaz. Kada je indeks delova bio na sledećoj strani, prevedeni spisak je dodat u proširenje slike, sa očuvanim oznakama i part brojevima.

Strana 62

Dijagram elektrika 05

Klik na sliku otvara uvećani prikaz. Kada je indeks delova bio na sledećoj strani, prevedeni spisak je dodat u proširenje slike, sa očuvanim oznakama i part brojevima.

Strane 63–64

Dijagram elektrika 06

Klik na sliku otvara uvećani prikaz. Kada je indeks delova bio na sledećoj strani, prevedeni spisak je dodat u proširenje slike, sa očuvanim oznakama i part brojevima.

Strana 65

Dijagram elektrika 07

Klik na sliku otvara uvećani prikaz. Kada je indeks delova bio na sledećoj strani, prevedeni spisak je dodat u proširenje slike, sa očuvanim oznakama i part brojevima.

Strana 66

Dijagram elektrika 08

Klik na sliku otvara uvećani prikaz. Kada je indeks delova bio na sledećoj strani, prevedeni spisak je dodat u proširenje slike, sa očuvanim oznakama i part brojevima.

Strana 67

Dijagram elektrika 09

Klik na sliku otvara uvećani prikaz. Kada je indeks delova bio na sledećoj strani, prevedeni spisak je dodat u proširenje slike, sa očuvanim oznakama i part brojevima.

Strana 68

Dijagram elektrika 10

Klik na sliku otvara uvećani prikaz. Kada je indeks delova bio na sledećoj strani, prevedeni spisak je dodat u proširenje slike, sa očuvanim oznakama i part brojevima.

Strane 69–70

Dijagram elektrika 11

Klik na sliku otvara uvećani prikaz. Kada je indeks delova bio na sledećoj strani, prevedeni spisak je dodat u proširenje slike, sa očuvanim oznakama i part brojevima.

Strana 71

Dijagram elektrika 12

Klik na sliku otvara uvećani prikaz. Kada je indeks delova bio na sledećoj strani, prevedeni spisak je dodat u proširenje slike, sa očuvanim oznakama i part brojevima.

Strana 72

Dijagram elektrika 13

Klik na sliku otvara uvećani prikaz. Kada je indeks delova bio na sledećoj strani, prevedeni spisak je dodat u proširenje slike, sa očuvanim oznakama i part brojevima.

Strana 73

Dijagram elektrika 14

Klik na sliku otvara uvećani prikaz. Kada je indeks delova bio na sledećoj strani, prevedeni spisak je dodat u proširenje slike, sa očuvanim oznakama i part brojevima.

Strana 74

Dijagram elektrika 15

Klik na sliku otvara uvećani prikaz. Kada je indeks delova bio na sledećoj strani, prevedeni spisak je dodat u proširenje slike, sa očuvanim oznakama i part brojevima.

Strane 75–76

Dijagram elektrika 16

Klik na sliku otvara uvećani prikaz. Kada je indeks delova bio na sledećoj strani, prevedeni spisak je dodat u proširenje slike, sa očuvanim oznakama i part brojevima.

Strane 77–78

Dijagram elektrika 17

Klik na sliku otvara uvećani prikaz. Kada je indeks delova bio na sledećoj strani, prevedeni spisak je dodat u proširenje slike, sa očuvanim oznakama i part brojevima.

Strana 79

Dijagram elektrika 18

Klik na sliku otvara uvećani prikaz. Kada je indeks delova bio na sledećoj strani, prevedeni spisak je dodat u proširenje slike, sa očuvanim oznakama i part brojevima.

Strana 80

Dijagram elektrika 19

Klik na sliku otvara uvećani prikaz. Kada je indeks delova bio na sledećoj strani, prevedeni spisak je dodat u proširenje slike, sa očuvanim oznakama i part brojevima.

Strana 81

Dijagram elektrika 20

Klik na sliku otvara uvećani prikaz. Kada je indeks delova bio na sledećoj strani, prevedeni spisak je dodat u proširenje slike, sa očuvanim oznakama i part brojevima.

Strana 82

Dijagram elektrika 21

Klik na sliku otvara uvećani prikaz. Kada je indeks delova bio na sledećoj strani, prevedeni spisak je dodat u proširenje slike, sa očuvanim oznakama i part brojevima.

Strane 83–84

Dijagram elektrika 22

Klik na sliku otvara uvećani prikaz. Kada je indeks delova bio na sledećoj strani, prevedeni spisak je dodat u proširenje slike, sa očuvanim oznakama i part brojevima.

Strane 85–86

Dijagram elektrika 23

Klik na sliku otvara uvećani prikaz. Kada je indeks delova bio na sledećoj strani, prevedeni spisak je dodat u proširenje slike, sa očuvanim oznakama i part brojevima.

Strana 87

Dijagram elektrika 24

Klik na sliku otvara uvećani prikaz. Kada je indeks delova bio na sledećoj strani, prevedeni spisak je dodat u proširenje slike, sa očuvanim oznakama i part brojevima.

Strana 88

Dijagram elektrika 25

Klik na sliku otvara uvećani prikaz. Kada je indeks delova bio na sledećoj strani, prevedeni spisak je dodat u proširenje slike, sa očuvanim oznakama i part brojevima.

Strana 89

Dijagram elektrika 26

Klik na sliku otvara uvećani prikaz. Kada je indeks delova bio na sledećoj strani, prevedeni spisak je dodat u proširenje slike, sa očuvanim oznakama i part brojevima.

Strana 90

Dijagram elektrika 27

Klik na sliku otvara uvećani prikaz. Kada je indeks delova bio na sledećoj strani, prevedeni spisak je dodat u proširenje slike, sa očuvanim oznakama i part brojevima.